MARTIN MAC500E MOVINGLIGHT

STOCK:8
特徴
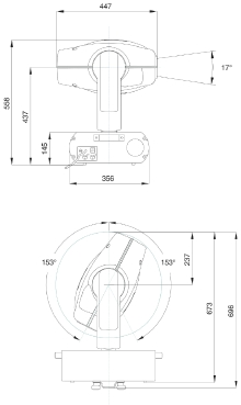
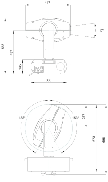
軽量・高出力・省電力
重量は、24kg、消費電力は700w、575wクラスのスタンダード機
MARTIN社定評のダイクロイックカラーフィルター
カラーホイール2枚計16色による鮮やかなカラーコンビネーション
コンパクトながら高機能
■交換・回転可能な5ゴボホイール1×1
■交換可能な固定8ゴボホイール2×1
■CTOフィルター3枚搭載(Color2に実装)
■電動3面プリズムレンズ搭載
■17°固定ズーム
■電動アイリス
仕込方法
置き・吊り両方で使用できます。
DMXチャンネル
制御チャンネル14chモード
カラーホイール(工場出荷時) |



